DO Serisi Çelik / PTFE Bakım Gerektirmeyen

Sürtünmesiz yatak çeliği, sertleştirilmiş, taşlanmış ve cilalanmış, yuvarlanma kanalı sert krom kaplı

Yataklama : Çelik / PTFE Bakım gerektirmeyen
Standart : UK DIN ISO 12240-4 E ölçü serisi
İç bilezik : Sürtünmesiz yatak çeliği, sertleştirilmiş, taşlanmış ve cilalanmış, yuvarlanma kanalı sert krom kaplı 
Dış bilezik : Otomat çeliği, PTFE kaplı.
Gövde : Çelikten, tüm ölçüleri galvanizlidir ve kromatlanmıştır. Mafsal yatak, gövdeye preslenmiştir ve her iki tarafı kalafatlanmıştır.

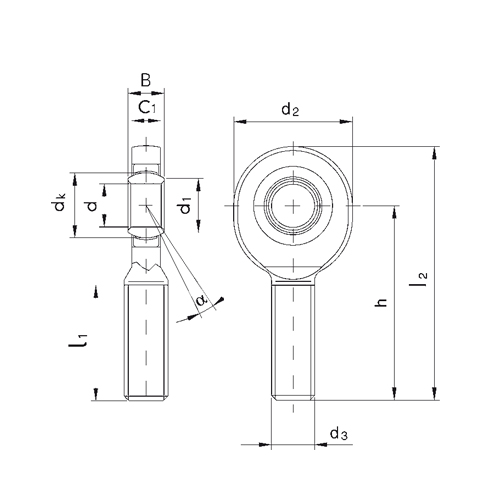
DİŞİ


 

Gösterim

   

d

 

d3

 

B

 

C1

 

d1

          maks. =
Sağdan dişli Soldan dişli mm mm mm mm mm
GIR 6-UK GIL 6-UK 6 M6 6 4,5 8
GIR 8-UK GIL 8-UK 8 M8 8 6,5 10
GIR 10-UK GIL 10-UK 10 M10 9 7,5 13
GIR 12-UK GIL 12-UK 12 M12 10 8,5 15
GIR 15-UK GIL 15-UK 15 M14 12 10,5 18
GIR 15-UK2RS GIL 15-UK2RS 15 M14 12 10,5 18
GIR 17-UK GIL 17-UK 17 M16 14 11,5 20
GIR 17-UK2RS GIL 17-UK2RS 17 M16 14 11,5 20
GIR 20-UK GIL 20-UK 20 M20x1.5 16 13,5 24
GIR 20-UK2RS GIL 20-UK2RS 20 M20x1.5 16 13,5 24
GIR 25-UK GIL 25-UK 25 M24x2 20 18,0 29
GIR 25-UK2RS GIL 25-UK2RS 25 M24x2 20 18,0 29
GIR 30-UK GIL 30-UK 30 M30x2 22 20,0 34
GIR 30-UK2RS GIL 30-UK2RS 30 M30x2 22 20,0 34
GIR 35-UK2RS GIL 35-UK2RS 35 M36x3 25 22,0 39
GIR 40-UK2RS GIL 40-UK2RS 40 M39x3 28 24,0 45
GIR 50-UK2RS GIL 50-UK2RS 50 M45x3 35 31,0 55
GIR 60-UK2RS GIL 60-UK2RS 60 M52x3 44 39,0 66
GIR 70-UK2RS GIL 70-UK2RS 70 M56x4 49 43,0 77
GIR 80-UK2RS GIL 80-UK2RS 80 M64x4 55 48,0 88

(*) Standart Dışı

ERKEK


 

Gösterim

   

d

 

d3

 

B

 

C1

 

d1

          maks. =
GAR 6-UK GAL 6-UK 6 M6 6 4,5 8
GAR 8-UK GAL 8-UK 8 M8 8 6,5 10
GAR 10-UK GAL 10-UK 10 M10 9 7,5 13
GAR 12-UK GAL 12-UK 12 M12 10 8,5 15
GAR 15-UK GAL 15-UK 15 M14 12 10,5 18
GAR 15-UK2RS GAL 15-UK2RS 15 M14 12 10,5 18
GAR 17-UK GAL 17-UK 17 M16 14 11,5 20
GAR 17-UK2RS GAL 17-UK2RS 17 M16 14 11,5 20
GAR 20-UK GAL 20-UK 20 M20x1.5 16 13,5 24
GAR 20-UK2RS GAL 20-UK2RS 20 M20x1.5 16 13,5 24
GAR 25-UK GAL 25-UK 25 M24x2 20 18,0 29
GAR 25-UK2RS GAL 25-UK2RS 25 M24x2 20 18,0 29
GAR 30-UK GAL 30-UK 30 M30x2 22 20,0 34
GAR 30-UK2RS GAL 30-UK2RS 30 M30x2 22 20,0 34
GAR 35-UK2RS GAL 35-UK2RS 35 M36x3 25 22,0 39
GAR 40-UK2RS GAL 40-UK2RS 40 M39x3 28 24,0 45
GAR 50-UK2RS GAL 50-UK2RS 50 M45x3 35 31,0 55
GAR 60-UK2RS GAL 60-UK2RS 60 M52x3 44 39,0 66
GAR 70-UK2RS GAL 70-UK2RS 70 M56x4 49 43,0 77
GAR 80-UK2RS GAL 80-UK2RS 80 M64x4 55 48,0 88
 

(*) Standart Dışı

Özel versiyonlar :

Diğer versiyonlar talep üzerine mevcuttur.

d2 maks. d4

=

d5 maks. dk h1 l3 min. l4 maks. W C0 Statik yük katsayısı Eğim açısı Ağırlık
mm mm mm mm mm mm mm mm kN kg
22 11 14 10 30 11 43 11 8,1 13 0,021
25 13 17 13 36 15 50 13 12,9 15 0,039
30 16 20 16 43 15 60 16 17,6 12 0,061
35 19 23 18 50 18 69 18 24,5 10 0,096
41 22 27 22 61 21 83 21 36,0 8 0,160
41 22 27 22 61 21 83 21 36,0 8 0,160
47 25 31 25 67 24 92 27 45,0 10 0,230
47 25 31 25 67 24 92 27 45,0 10 0,230
54 28 36 29 77 30 106 30 60,0 9 0,320
54 28 36 29 77 30 106 30 60,0 9 0,320
65 35 44 35 94 36 128 36 83,0 7 0,620
65 35 44 35 94 36 128 36 83,0 7 0,620
75 42 52 40 110 45 149 46 110,0 6 0,970
75 42 52 40 110 45 149 46 110,0 6 0,970
84 47 60 47 125 60 169 55 146,0 6 1,500
94 52 67 53 142 65 191 60 180,0 7 2,100
114 62 77 66 160 68 219 70 290,0 6 3,500
137 70 90 80 175 70 246 80 450,0 6 5,600
162 80 100 92 200 80 284 85 610,0 6 8,300
182 95 112 105 230 85 324 95 750,0 6 13,000
  • mevcut değil
d2 maks. dk h l1 min. l2 maks. C0 Statik yük katsayısı Eğim açısı Ağırlık
mm mm mm mm mm kN kg
22 10 36 16 49 5,5 13 0,017
25 13 42 21 56 10,0 15 0,029
30 16 48 26 65 16,0 12 0,044
35 18 54 28 73 23,0 10 0,066
41 22 63 34 85 32,0 8 0,120
41 22 63 34 85 32,0 8 0,120
47 25 69 36 94 44,0 10 0,170
47 25 69 36 94 44,0 10 0,170
54 29 78 43 107 60,0 9 0,280
54 29 78 43 107 60,0 9 0,280
65 35 94 53 128 83,0 7 0,510
65 35 94 53 128 83,0 7 0,510
75 40 110 65 149 110,0 6 0,840
75 40 110 65 149 110,0 6 0,840
84 47 140 82 184 146,0 6 1,400
94 53 150 86 199 180,0 7 1,800
114 66 185 104 244 290,0 6 3,600
137 80 210 115 281 450,0 6 5,700
162 92 235 125 319 610,0 6 7,900
182 105 270 140 364 750,0 6 12,000
  • mevcut değil