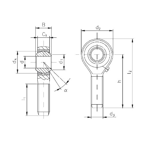
Yataklama : Çelik üzeri uzun ömürlü bronz, bakım gerektirir
Standart : DIN ISO 12240-4 K ölçü serisi
İç bilezik : Sürtünmesiz yatak çeliği, sertleştirilmiş, taşlanmış ve cilalanmış.
Dış bilezik : Uzun ömürlü bronz kaplı kayan yüzey Yağlama, dış bilezikteki yağlama kanalı aracılığı ile yapılır.
Gövde : 3 -12 ölçü aralığında otomat çeliği, 14 - 50 ölçü aralığında temperlenmiş çelik (standartlaştırılmış), tüm ölçüler galvanizlidir ve kromatlanmıştır. Mafsal yatak, gövdeye preslenmiştir ve her iki tarafı kalafatlanmıştır.
Yağlama nipeli : 3 ve 5 ölçülerde, yağlama nipeli yoktur. 6 - 50 ölçü aralığında yağlama nipelleri DIN 3405 ve form D’dir. Diğer nipel formları, talep üzerine mevcuttur.
Gösterim | d | d3 | B | C1 | d1 | |
DİŞİ | ~ | |||||
Sağdan dişli | Soldan dişli | mm | mm | mm | mm | mm |
KI 3 | KIL 3 | 3 | M3 | 6 | 4,50 | 5,1 |
KI 5 | KIL 5 | 5 | M5 | 8 | 6,00 | 7,7 |
KI 6 | KIL 6 | 6 | M6 | 9 | 6,75 | 8,9 |
KI 8 | KIL 8 | 8 | M8 | 12 | 9,00 | 10,3 |
KI 10 | KIL 10 | 10 | M10 | 14 | 10,50 | 12,9 |
KI 12 | KIL 12 | 12 | M12 | 16 | 12,00 | 15,4 |
KI 14 | KIL 14 | 14 | M14 | 19 | 13,50 | 16,8 |
KI 16 | KIL 16 | 16 | M16 | 21 | 15,00 | 19,3 |
KI 18 | KIL 18 | 18 | M18x1.5 | 23 | 16,50 | 21,8 |
KI 20 | KIL 20 | 20 | M20x1.5 | 25 | 18,00 | 24,3 |
KI 22 | KIL 22 | 22 | M22x1.5 | 28 | 20,00 | 25,8 |
KI 25 | KIL 25 | 25 | M24x2 | 31 | 22,00 | 29,5 |
KI 30 | KIL 30 | 30 | M30x2 | 37 | 25,00 | 34,8 |
KI 35 | KIL 35 | 35 | M36x2 | 43 | 28,00 | 37.7* |
KI 40 | KIL 40 | 40 | M42x2 | 49 | 33,00 | 45.2* |
KI 50 | KIL 50 | 50 | M48x2 | 60 | 45,00 | 56.6* |
Gösterim | d | d3 | B | C1 | d1 | |
ERKEK | = | |||||
Sağdan dişli | Soldan dişli | mm | mm | mm | mm | mm |
KA 3 | KAL 3 | 3 | M3 | 6 | 4,50 | 5,1 |
KA 5 | KAL 5 | 5 | M5 | 8 | 6,00 | 7,7 |
KA 6 | KAL 6 | 6 | M6 | 9 | 6,75 | 8,9 |
KA 8 | KAL 8 | 8 | M8 | 12 | 9,00 | 10,3 |
KA 10 | KAL 10 | 10 | M10 | 14 | 10,50 | 12,9 |
KA 12 | KAL 12 | 12 | M12 | 16 | 12,00 | 15,4 |
KA 14 | KAL 14 | 14 | M14 | 19 | 13,50 | 16,8 |
KA 16 | KAL 16 | 16 | M16 | 21 | 15,00 | 19,3 |
KA 18 | KAL 18 | 18 | M18x1.5 | 23 | 16,50 | 21,8 |
KA 20 | KAL 20 | 20 | M20x1.5 | 25 | 18,00 | 24,3 |
KA 22 | KAL 22 | 22 | M22x1.5 | 28 | 20,00 | 25,8 |
KA 25 | KAL 25 | 25 | M24x2 | 31 | 22,00 | 29,5 |
KA 30 | KAL 30 | 30 | M30x2 | 37 | 25,00 | 34,8 |
KA 35 | KAL 35 | 35 | M36x2 | 43 | 28,00 | 37.7* |
KA 40 | KAL 40 | 40 | M42x2 | 49 | 33,00 | 45.2* |
KA 50 | KAL 50 | 50 | M48x2 | 60 | 45,00 | 56.6* |
Özel versiyonlar : - Versiyon -V :
Standart, fakat gövde ısıl işlem görmüş.
Statik yük kapasitesi için bkz. -V statik yük katsayısı C0
Versiyon L:
Standart, fakat gövde yüksek kalite temperlenmiş çelikten (ısıl işlem görmüş), statik yük kapasitesi için bkz. -L statik yük katsayısı C0
Diğer versiyonlar talep üzerine mevcuttur.
Ör.:
d2 maks |
d4 ~ |
d5 | dk | h1 | l3 min. |
l4 ~ |
W | C0 Statik yük katsayısı Standart -V -L |
Eğim açısı | Ağırlık | ||
mm | mm | mm | mm | mm | mm | mm | mm | kN | kN | kN | a° | kg |
15 | 6,5 | 8 | 7,9 | 21 | 8 | 28,5 | 7 | 4 | • | • | 13 | 0,008 |
19 | 9,0 | 11 | 11,1 | 27 | 8 | 36,5 | 9 | 6 | • | • | 13 | 0,017 |
21 | 10,0 | 13 | 12,7 | 30 | 9 | 40,5 | 11 | 7 | • | • | 13 | 0,025 |
25 | 12,5 | 16 | 15,8 | 36 | 12 | 48,5 | 14 | 12 | 16 | 21 | 13 | 0,043 |
29 | 15,0 | 19 | 19,0 | 43 | 15 | 57,5 | 17 | 15 | 19 | 27 | 13 | 0,072 |
33 | 17,5 | 22 | 22,2 | 50 | 18 | 66,5 | 19 | 23 | 25 | 35 | 13 | 0,107 |
37 | 20,0 | 25 | 25,4 | 57 | 21 | 75,5 | 22 | 24 | 34 | 46 | 15 | 0,160 |
43 | 22,0 | 27 | 28,5 | 64 | 24 | 85,5 | 22 | 34 | 43 | 57 | 15 | 0,210 |
47 | 25,0 | 31 | 31,7 | 71 | 27 | 94,5 | 27 | 39 | 49 | 77 | 15 | 0,295 |
51 | 27,5 | 34 | 34,9 | 77 | 30 | 102,5 | 30 | 42 | 50 | 78 | 15 | 0,380 |
55 | 30,0 | 37 | 38,1 | 84 | 33 | 111,5 | 32 | 54 | 70 | 101 | 15 | 0,490 |
61 | 33,5 | 42 | 42,8 | 94 | 36 | 124,5 | 36 | 60 | 78 | 131 | 15 | 0,650 |
71 | 40,0 | 50 | 50,8 | 110 | 45 | 145,5 | 41 | 82 | 107 | 182 | 15 | 1,150 |
81 | 46,0 | 58 | 57,1 | 125 | 56 | 165,5 | 50 | 96 | • | • | 16 | 1,600 |
91 | 53,0 | 65 | 66,6 | 142 | 60 | 187,5 | 55 | 145 | • | • | 17 | 2,400 |
117 | 65,0 | 75 | 82,5 | 160 | 65 | 218,5 | 65 | 209 | • | • | 12 | 5,000 |
d2 | dk | h | l1 | l2 | C0 Statik yük katsayısı Standart -V -L |
Eğim açısı | Ağırlık | ||
mm | mm | mm | mm | mm | kN | kN | kN | a° | kg |
mm | mm | mm | mm | mm | kN | kN | kN | a° | kg |
15 | 7,9 | 27 | 15 | 34,0 | 1 | • | • | 13 | 0,005 |
19 | 11,1 | 33 | 19 | 42,5 | 3 | • | • | 13 | 0,013 |
21 | 12,7 | 36 | 21 | 46,5 | 4 | • | • | 13 | 0,019 |
25 | 15,8 | 42 | 25 | 54,5 | 8 | 10 | 17 | 13 | 0,032 |
29 | 19,0 | 48 | 28 | 62,5 | 13 | 17 | 25 | 13 | 0,054 |
33 | 22,2 | 54 | 32 | 70,5 | 21 | 22 | 33 | 13 | 0,085 |
37 | 25,4 | 60 | 36 | 78,5 | 22 | 31 | 44 | 15 | 0,125 |
43 | 28,5 | 66 | 37 | 87,5 | 33 | 43 | 57 | 15 | 0,185 |
47 | 31,7 | 72 | 41 | 95,5 | 39 | 49 | 77 | 15 | 0,260 |
51 | 34,9 | 78 | 45 | 103,5 | 42 | 50 | 78 | 15 | 0,340 |
55 | 38,1 | 84 | 48 | 111,5 | 54 | 70 | 101 | 15 | 0,435 |
61 | 42,8 | 94 | 55 | 124,5 | 60 | 78 | 131 | 15 | 0,590 |
71 | 50,8 | 110 | 66 | 145,5 | 82 | 107 | 182 | 15 | 1,060 |
81 | 57,0 | 140 | 85 | 180,5 | 96 | • | • | 16 | 1,640 |
91 | 66,0 | 150 | 90 | 195,5 | 132 | • | • | 17 | 2,300 |
117 | 82,0 | 185 | 105 | 219,5 | 209 | • | • | 12 | 4,800 |