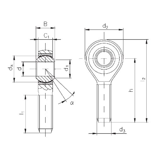
Yataklama : PTFE - Çelik Bakım gerektirmez
Standart : DIN ISO 12240-4 K ölçü serisi
İç bilezik : Sürtünmesiz yatak çeliği, sertleştirilmiş, taşlanmış ve cilalanmış.
Dış bilezik : PTFE - sürtünme önleyici film kaplı çelik
Gövde : 5 -12 ölçü aralığında otomat çeliği, 14 - 50 ölçü aralığında temperlenmiş çelik (standartlaştırılmış), tüm ölçüler galvanizlidir ve kromatlanmıştır. Mafsal yatak, gövdeye preslenmiştir ve her iki tarafı kalafatlanmıştır
d3 | B | C1 | d1 = |
mm | mm | mm | mm |
M5 | 8 | 6,00 | 7,7 |
M6 | 9 | 6,75 | 8,9 |
M8 | 12 | 9,00 | 10,3 |
M10 | 14 | 10,50 | 12,9 |
M12 | 16 | 12,00 | 15,4 |
M14 | 19 | 13,50 | 16,8 |
M16 | 21 | 15,00 | 19,3 |
M18x1.5 | 23 | 16,50 | 21,8 |
M20x1.5 | 25 | 18,00 | 24,3 |
M22x1.5 | 28 | 20,00 | 25,8 |
M24x2 | 31 | 22,00 | 29,5 |
M30x2 | 37 | 25,00 | 34,8 |
M36x2 | 43 | 28,00 | 37.7* |
M42x2 | 49 | 33,00 | 45.2* |
M48x2 | 60 | 45,00 | 56.6* |
Gösterim | d | d3 | B | C1 | d1 = | |
Sağdan dişli | Soldan dişli | mm | mm | mm | mm | mm |
KA 5-D | KAL 5-D | 5 | M5 | 8 | 6,00 | 7,7 |
KA 6-D | KAL 6-D | 6 | M6 | 9 | 6,75 | 8,9 |
KA 8-D | KAL 8-D | 8 | M8 | 12 | 9,00 | 10,3 |
KA 10-D | KAL 10-D | 10 | M10 | 14 | 10,50 | 12,9 |
KA 12-D | KAL 12-D | 12 | M12 | 16 | 12,00 | 15,4 |
KA 14-D | KAL 14-D | 14 | M14 | 19 | 13,50 | 16,8 |
KA 16-D | KAL 16-D | 16 | M16 | 21 | 15,00 | 19,3 |
KA 18-D | KAL 18-D | 18 | M18x1.5 | 23 | 16,50 | 21,8 |
KA 20-D | KAL 20-D | 20 | M20x1.5 | 25 | 18,00 | 24,3 |
KA 22-D | KAL 22-D | 22 | M22x1.5 | 28 | 20,00 | 25,8 |
KA 25-D | KAL 25-D | 25 | M24x2 | 31 | 22,00 | 29,5 |
KA 30-D | KAL 30-D | 30 | M30x2 | 37 | 25,00 | 34,8 |
KA 35-D | KAL 35-D | 35 | M36x2 | 43 | 28,00 | 37.7* |
KA 40-D | KAL 40-D | 40 | M42x2 | 49 | 33,00 | 45.2* |
KA 50-D | KAL 50-D | 50 | M48x2 | 60 | 45,00 | 56.6* |
Versiyon -DMS : Standart, fakat dış bilezik pirinçten
Versiyon -DV : Standart, fakat gövde ısıl işlem görmüş statik yük kapasitesi için bkz. -V statik yük katsayısı C0
Versiyon -DL : Standart, fakat gövde yüksek kalite temperlenmiş çelikten (ısıl işlem görmüş), statik yük kapasitesi için bkz. -L statik yük katsayısı C0
Diğer versiyonlar talep üzerine mevcuttur.
Ör.:
Gövde çatlak testi
Sert krom kaplama iç bilezik kayan yüzeyi
Özel gövde yüzey kaplaması
d2 maks |
d4 ~ |
d5 | dk | h1 | l3 min. |
l4 ~ |
W | C0 Statik yük katsayısı Standart -V -L |
Eğim açısı | Ağırlık | ||
mm | mm | mm | mm | mm | mm | mm | mm | kN | kN | kN | a° | kg |
19 | 9,0 | 11 | 11,1 | 27 | 8 | 36,5 | 9 | 6 | • | • | 13 | 0,017 |
21 | 10,0 | 13 | 12,7 | 30 | 9 | 40,5 | 11 | 7 | • | • | 13 | 0,025 |
25 | 12,5 | 16 | 15,8 | 36 | 12 | 48,5 | 14 | 12 | 16 | 21 | 13 | 0,043 |
29 | 15,0 | 19 | 19,0 | 43 | 15 | 57,5 | 17 | 15 | 19 | 27 | 13 | 0,072 |
33 | 17,5 | 22 | 22,2 | 50 | 18 | 66,5 | 19 | 23 | 25 | 35 | 13 | 0,107 |
37 | 20,0 | 25 | 25,4 | 57 | 21 | 75,5 | 22 | 24 | 34 | 46 | 15 | 0,160 |
43 | 22,0 | 27 | 28,5 | 64 | 24 | 85,5 | 22 | 34 | 43 | 57 | 15 | 0,210 |
47 | 25,0 | 31 | 31,7 | 71 | 27 | 94,5 | 27 | 39 | 49 | 77 | 15 | 0,295 |
51 | 27,5 | 34 | 34,9 | 77 | 30 | 102,5 | 30 | 42 | 50 | 78 | 15 | 0,380 |
55 | 30,0 | 37 | 38,1 | 84 | 33 | 111,5 | 32 | 54 | 70 | 101 | 15 | 0,490 |
61 | 33,5 | 42 | 42,8 | 94 | 36 | 124,5 | 36 | 60 | 78 | 131 | 15 | 0,650 |
71 | 40,0 | 50 | 50,8 | 110 | 45 | 145,5 | 41 | 82 | 107 | 182 | 15 | 1,150 |
81 | 46,0 | 58 | 57,1 | 125 | 56 | 165,5 | 50 | 96 | • | • | 16 | 1,600 |
91 | 53,0 | 65 | 66,6 | 142 | 60 | 187,5 | 55 | 132 | • | • | 17 | 2,400 |
117 | 65,0 | 75 | 82,5 | 160 | 65 | 218,5 | 65 | 209 | • | • | 12 | 5,000 |
d2 | dk | h | l1 | l2 | C0 Statik yük katsayısı Standart -V -L |
Eğim açısı | Ağırlık | ||
mm | mm | mm | mm | mm | kN | kN | kN | a° | kg |
mm | mm | mm | mm | mm | kN | kN | kN | a° | kg |
19 |
11,1 | 33 | 19 | 42,5 | 4 | • | • | 13 | 0,013 |
21 |
12,7 | 36 | 21 | 46,5 | 6 | • | • | 13 | 0,019 |
25 |
15,8 | 42 | 25 | 54,5 | 10 | 12 | 19 | 13 | 0,032 |
29 |
19,0 | 48 | 28 | 62,5 | 15 | 19 | 27 | 13 | 0,054 |
33 |
22,2 | 54 | 32 | 70,5 | 23 | 25 | 35 | 13 | 0,085 |
37 |
25,4 | 60 | 36 | 78,5 | 24 | 34 | 46 | 15 | 0,125 |
43 |
28,5 | 66 | 37 | 87,5 | 33 | 43 | 57 | 15 | 0,185 |
47 |
31,7 | 72 | 41 | 95,5 | 39 | 49 | 77 | 15 | 0,260 |
51 |
34,9 | 78 | 45 | 103,5 | 42 | 50 | 78 | 15 | 0,340 |
55 |
38,1 | 84 | 48 | 111,5 | 54 | 70 | 101 | 15 | 0,435 |
61 |
42,8 | 94 | 55 | 124,5 | 60 | 78 | 131 | 15 | 0,590 |
71 |
50,8 | 110 | 66 | 145,5 | 82 | 107 | 182 | 15 | 1,060 |
81 |
57,1 | 140 | 85 | 180,5 | 96 | • | • | 16 | 1,640 |
91 |
66,6 | 150 | 90 | 195,5 | 132 | • | • | 17 | 2,300 |
117 | 82,5 | 185 | 105 | 219,5 | 209 | • | • | 12 | 4,800 |