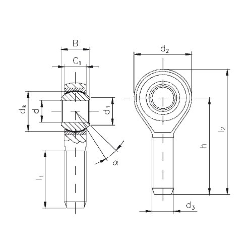
Yataklama : PTFE - paslanmaz çelik, bakım gerektirmez
Standart : Paslanmaz çelik, bakır alaşımsız DIN ISO 12240-4 K ölçü serisi
İç bilezik : Paslanmaz çelik, sertleştirilmiş, taşlanmış ve cilalanmış.
Dış bilezik : PTFE - sürtünme önleyici film kaplı paslanmaz çelik, dış çap taşlanmış.
Gövde : Paslanmaz çelik Mafsal yatak, gövdeye preslenmiştir ve her iki tarafı kalafatlanmıştır.
Gösterim | d | d3 | B | C1 | d1 | |
Sağdan dişli | Soldan dişli | mm | mm | mm | mm | = mm |
KI 5-DNRBF | KIL 5-DNRBF | 5 | M5 | 8 | 6,00 | 7,7 |
KI 6-DNRBF | KIL 6-DNRBF | 6 | M6 | 9 | 6,75 | 8,9 |
KI 8-DNRBF | KIL 8-DNRBF | 8 | M8 | 12 | 9,00 | 10,3 |
KI 10-DNRBF | KIL 10-DNRBF | 10 | M10 | 14 | 10,50 | 12,9 |
KI 12-DNRBF | KIL 12-DNRBF | 12 | M12 | 16 | 12,00 | 15,4 |
KI 14-DNRBF | KIL 14-DNRBF | 14 | M14 | 19 | 13,50 | 16,8 |
KI 16-DNRBF | KIL 16-DNRBF | 16 | M16 | 21 | 15,00 | 19,3 |
KI 18-DNRBF | KIL 18-DNRBF | 18 | M18x1.5 | 23 | 16,50 | 21,8 |
KI 20-DNRBF | KIL 20-DNRBF | 20 | M20x1.5 | 25 | 18,00 | 24,3 |
KI 22-DNRBF | KIL 22-DNRBF | 22 | M22x1.5 | 28 | 20,00 | 25,8 |
KI 25-DNRBF | KIL 25-DNRBF | 25 | M24x2 | 31 | 22,00 | 29,5 |
KI 30-DNRBF | KIL 30-DNRBF | 30 | M30x2 | 37 | 25,00 | 34,8 |
Gösterim | d | d3 | B | C1 | d1 | |
Sağdan dişli | Soldan dişli | mm | mm | mm | mm | = mm |
KA 5-DNRBF | KAL 5-DNRBF | 5 | M5 | 8 | 6,00 | 7,7 |
KA 6-DNRBF | KAL 6-DNRBF | 6 | M6 | 9 | 6,75 | 8,9 |
KA 8-DNRBF | KAL 8-DNRBF | 8 | M8 | 12 | 9,00 | 10,3 |
KA 10-DNRBF | KAL 10-DNRBF | 10 | M10 | 14 | 10,50 | 12,9 |
KA 12-DNRBF | KAL 12-DNRBF | 12 | M12 | 16 | 12,00 | 15,4 |
KA 14-DNRBF | KAL 14-DNRBF | 14 | M14 | 19 | 13,50 | 16,8 |
KA 16-DNRBF | KAL 16-DNRBF | 16 | M16 | 21 | 15,00 | 19,3 |
KA 18-DNRBF | KAL 18-DNRBF | 18 | M18x1.5 | 23 | 16,50 | 21,8 |
KA 20-DNRBF | KAL 20-DNRBF | 20 | M20x1.5 | 25 | 18,00 | 24,3 |
KA 22-DNRBF | KAL 22-DNRBF | 22 | M22x1.5 | 28 | 20,00 | 25,8 |
KA 25-DNRBF | KAL 25-DNRBF | 25 | M24x2 | 31 | 22,00 | 29,5 |
KA 30-DNRBF | KAL 30-DNRBF | 30 | M30x2 | 37 | 25,00 | 34,8 |
Özel versiyonlar :
Diğer versiyonlar talep üzerine mevcuttur.
d2 maks |
d4 ~ |
d5 | dk | h1 | l3 min. |
l4 ~ |
W | C0 Statik yük katsayısı Standart -V -L |
Eğim açısı | Ağırlık |
mm | mm | mm | mm | mm | mm | mm | mm | kN | a° | kg |
19 | 9,0 | 11 | 11,1 | 27 | 8 | 36,5 | 9 | 6 | 13 | 0,017 |
21 | 10,0 | 13 | 12,7 | 30 | 9 | 40,5 | 11 | 7 | 13 | 0,025 |
25 | 12,5 | 16 | 15,8 | 36 | 12 | 48,5 | 14 | 10 | 13 | 0,043 |
29 | 15,0 | 19 | 19,0 | 43 | 15 | 57,5 | 17 | 13 | 13 | 0,072 |
33 | 17,5 | 22 | 22,2 | 50 | 18 | 66,5 | 19 | 15 | 13 | 0,107 |
37 | 20,0 | 25 | 25,4 | 57 | 21 | 75,5 | 22 | 22 | 15 | 0,160 |
43 | 22,0 | 27 | 28,5 | 64 | 24 | 85,5 | 22 | 28 | 15 | 0,210 |
47 | 25,0 | 31 | 31,7 | 71 | 27 | 94,5 | 27 | 35 | 15 | 0,295 |
51 | 27,5 | 34 | 34,9 | 77 | 30 | 102,5 | 30 | 41 | 15 | 0,380 |
55 | 30,0 | 37 | 38,1 | 84 | 33 | 111,5 | 32 | 51 | 15 | 0,490 |
61 | 33,5 | 42 | 42,8 | 94 | 36 | 124,5 | 36 | 58 | 15 | 0,650 |
71 | 40,0 | 50 | 50,8 | 110 | 45 | 145,5 | 41 | 80 | 15 | 1,150 |
d2 | dk | h | l1 | l2 | C0 Statik yük katsayısı Standart -V -L |
Eğim açısı | Ağırlık |
mm | mm | mm | mm | mm | kN | a° | kg |
19 | 11,1 | 33 | 19 | 42,5 | 4 | 13 | 0,013 |
21 | 12,7 | 36 | 21 | 46,5 | 6 | 13 | 0,019 |
25 | 15,8 | 42 | 25 | 54,5 | 8 | 13 | 0,032 |
29 | 19,0 | 48 | 28 | 62,5 | 12 | 13 | 0,054 |
33 | 22,2 | 54 | 32 | 70,5 | 15 | 13 | 0,085 |
37 | 25,4 | 60 | 36 | 78,5 | 22 | 15 | 0,125 |
43 | 28,5 | 66 | 37 | 87,5 | 28 | 15 | 0,185 |
47 | 31,7 | 72 | 41 | 95,5 | 35 | 15 | 0,260 |
51 | 34,9 | 78 | 45 | 103,5 | 41 | 15 | 0,340 |
55 | 38,1 | 84 | 48 | 111,5 | 51 | 15 | 0,435 |
61 | 42,8 | 94 | 55 | 124,5 | 58 | 15 | 0,590 |
71 | 50,8 | 110 | 66 | 145,5 | 80 | 15 | 1,060 |