Standart :
KBK = çelik, çelik kafesli, keçesiz
G = plastik kafes
UU = iki tarafta keçe
Gösterim | d | Tolerans d + | d - | D | Tolerans D + | D - | L | Tolerans L + | L - | |
mm | µm | µm | mm | µm | µm | mm | mm | mm | ||
KBK 8W | KBK 8GW | 8 | 9 | -1 | 16 | 0 | -13 | 45 | 0.3 | -0.3 |
KBK 12W | KBK 12GW | 12 | 9 | -1 | 22 | 0 | -16 | 57 | 0.3 | -0.3 |
KBK 16W | KBK 16GW | 16 | 11 | -1 | 28 | 0 | -16 | 70 | 0.3 | -0.3 |
KBK 20W | KBK 20GW | 20 | 11 | -1 | 32 | 0 | -19 | 80 | 0.3 | -0.3 |
KBK 25W | KBK 25GW | 25 | 13 | -2 | 40 | 0 | -19 | 112 | 0.3 | -0.3 |
KBK 30W | KBK 30GW | 30 | 13 | -2 | 47 | 0 | -19 | 123 | 0.3 | -0.3 |
KBK 40W | KBK 40GW | 40 | 16 | -4 | 62 | 0 | -22 | 151 | 0.3 | -0.3 |
KBK 50W | KBK 50GW | 50 | 16 | -4 | 75 | 0 | -22 | 192 | 0.3 | -0.3 |
KBK 60W | KBK 60GW | 60 | 16 | -4 | 90 | 0 | -25 | 211 | 0.3 | -0.3 |
Dış silindir yüzey bakımı talep üzerine yapılır
Gösterim | d | Tolerans d + | Tolerance d - | D | Tolerans D + | D - | L | Tolerans L + | L - | |
mm | µm | µm | mm | µm | µm | mm | mm | mm | ||
KBFC 8 | KBFC 8G | 8 | 9 | -1 | 16 | 0 | -13 | 46 | 0.3 | -0.3 |
KBFC 12 | KBFC 12G | 12 | 9 | -1 | 22 | 0 | -16 | 61 | 0.3 | -0.3 |
KBFC 16 | KBFC 16G | 16 | 11 | -1 | 26 | 0 | -16 | 68 | 0.3 | -0.3 |
KBFC 20 | KBFC 20G | 20 | 11 | -1 | 32 | 0 | -19 | 80 | 0.3 | -0.3 |
KBFC 25 | KBFC 25G | 25 | 13 | -2 | 40 | 0 | -19 | 112 | 0.3 | -0.3 |
KBFC 30 | KBFC 30G | 30 | 13 | -2 | 47 | 0 | -19 | 123 | 0.3 | -0.3 |
KBFC 40 | KBFC 40G | 40 | 16 | -4 | 62 | 0 | -22 | 154 | 0.3 | -0.3 |
KBFC 50 | KBFC 50G | 50 | 16 | -4 | 75 | 0 | -22 | 192 | 0.3 | -0.3 |
KBFC 60 | KBFC 60G | 60 | 16 | -4 | 90 | 0 | -25 | 211 | 0.3 | -0.3 |
Dış silindir yüzey bakımı talep üzerine yapılır
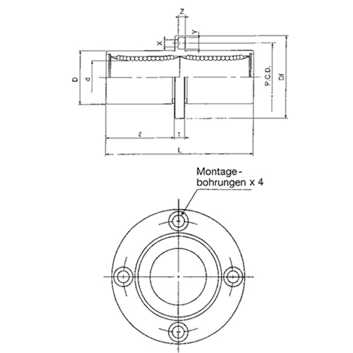
Df |
K | t | P.C.D. | XxYxZ | Eksantriklik | Açısal sapma | Yük katsayıları C dinamik | C0 statik | Ağırlık |
mm |
mm | mm | mm | mm | µm | µm | N | N | g |
32 | 25 | 5 | 24 | 3.5 x 6,5 x 3.1 | 15 | 15 | 421 |
804 |
51 |
42 | 32 | 6 | 32 | 4.5 x 8 x 4.1 | 15 | 15 | 813 | 1570 |
90 |
46 | 35 | 6 | 36 | 4.5 x 8 x 4.1 | 15 | 15 | 921 | 1780 | 135 |
54 | 42 | 8 | 43 | 5.5 x 9,5 x 5.1 | 17 | 17 | 1370 | 2740 | 225 |
62 | 50 | 8 | 51 | 5.5 x 9,5 x 5.1 | 17 | 17 | 1570 | 3140 | 500 |
76 | 60 | 10 | 62 | 6.6 x 11 x 6.1 | 17 | 17 | 2500 | 5490 | 720 |
98 | 75 | 13 | 80 | 9 x14 x 8.1 | 20 | 20 | 3430 | 8040 | 1600 |
112 | 88 | 13 | 94 | 9 x14 x 8.1 | 20 | 20 | 6080 | 15900 | 2620 |
134 | 105 | 18 | 112 | 11 x 17 x 11.1 | 25 | 25 | 7550 | 20000 | 4480 |
l | Df | t | P.C.D. | XxYxZ | Eksantriklik | Açısal sapma | Yük katsayıları C dinamik | C0 statik |
Ağırlık |
mm | mm | mm | mm | mm | µm | µm | N | N | g |
20.5 | 32 | 5 | 24 | 3.5 x 6,5 x 3.1 | 15 | 15 | 421 |
804 |
59 |
27.5 | 42 | 6 | 32 | 4.5 x 8 x 4.1 | 15 | 15 | 813 | 1570 | 110 |
31.0 | 46 | 6 | 36 | 4.5 x 8 x 4.1 | 15 | 15 | 921 | 1780 | 160 |
36.0 | 54 | 8 | 43 | 5.5 x 9,5 x 5.1 | 17 | 17 | 1370 | 2740 | 260 |
52.0 | 62 | 8 | 51 | 5.5 x 9,5 x 5.1 | 17 | 17 | 1570 | 3140 | 540 |
56.5 | 76 | 10 | 62 | 6.6 x 11 x 6.1 | 17 | 17 | 2500 | 5490 | 815 |
69.0 | 98 | 13 | 80 | 9 x14 x 8.1 | 20 | 20 | 3430 | 8040 | 1805 |
89.5 | 112 | 13 | 94 | 9 x14 x 8.1 | 20 | 20 | 6080 | 15900 | 2820 |
95.5 | 134 | 18 | 112 | 11 x 17,5 x 11.1 | 25 | 25 | 7550 | 20000 | 4920 |