Standart :
KBF = çelik, çelik kafesli, keçesiz
G = plastik kafes
UU = iki tarafta keçe
Gösterim | d | Tolerans d + | d - | D | Tolerans D + | D - | L | Tolerans L + | L - | |
mm | µm | µm | mm | µm | µm | mm | mm | mm | ||
KBT 8UU | KBT 8GUU | 8 | 8 | 0 | 16 | 0 | -13 | 25 | 0.3 | -0.3 |
KBT 12UU | KBT 12GUU | 12 | 8 | 0 | 22 | 0 | -16 | 32 | 0.3 | -0.3 |
KBT 16UU | KBT 16GUU | 16 | 9 | -1 | 26 | 0 | -16 | 36 | 0.3 | -0.3 |
KBT 20UU | KBT 20GUU | 20 | 9 | -1 | 32 | 0 | -19 | 45 | 0.3 | -0.3 |
KBT 25UU | KBT 25GUU | 25 | 11 | -1 | 40 | 0 | -19 | 58 | 0.3 | -0.3 |
KBT 30UU | KBT 30GUU | 30 | 11 | -1 | 47 | 0 | -19 | 68 | 0.3 | -0.3 |
Dış silindir yüzey bakımı talep üzerine yapılır
Gösterim | d | Tolerans d + | d - | D | Tolerans D + | D - | L | Tolerans L + | L - | |
mm | µm | µm | mm | µm | µm | mm | mm | mm | ||
KBF 8W | KBF 8GW | 8 | 9 | 0 | 16 | 0 | -13 | 45 | 0.3 | -0.3 |
KBF 12W | KBF 12GW | 12 | 9 | 0 | 22 | 0 | -16 | 57 | 0.3 | -0.3 |
KBF 16W | KBF 16GW | 16 | 11 | -1 | 28 | 0 | -16 | 70 | 0.3 | -0.3 |
KBF 20W | KBF 20GW | 20 | 11 | -1 | 32 | 0 | -19 | 80 | 0.3 | -0.3 |
KBF 25W | KBF 25GW | 25 | 13 | -2 | 40 | 0 | -19 | 112 | 0.3 | -0.3 |
KBF 30W | KBF 30GW | 30 | 13 | -2 | 47 | 0 | -19 | 123 | 0.3 | -0.3 |
KBF 40W | KBF 40GW | 40 | 16 | -4 | 62 | 0 | -22 | 154 | 0.3 | -0.3 |
KBF 50W | KBF 50GW | 50 | 16 | -4 | 75 | 0 | -22 | 192 | 0.3 | -0.3 |
KBF 60W | KBF 60GW | 60 | 16 | -4 | 90 | 0 | -25 | 211 | 0.3 | -0.3 |
Dış silindir yüzey bakımı talep üzerine yapılır
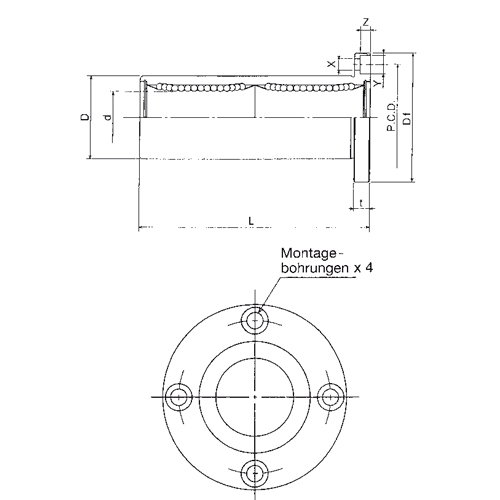
Df | W | t | A | F | XxYxZ | Eksantriklik | Açısal sapma | Yük katsayıları C dinamik | C0 statik | Ağırlık |
mm | mm | mm | mm | mm | mm | µm | µm | N | N | g |
32 | 22 | 5 | 24 | l | 3.5 x 6 x 3.1 | 12 | 12 | 265.0 | 402 | 37 |
42 | 28 | 6 | 32 | l | 4.5 x 7,5 x 4.1 | 12 | 12 | 510.0 | 784 | 73 |
46 | 32 | 6 | 28 | 22 | 4.5 x 7,5 x 4.2 | 12 | 12 | 578.0 | 892 | 90 |
54 | 38 | 8 | 36 | 24 | 5.5 x 9 x 5.1 | 15 | 15 | 862.0 | 1370 | 155 |
62 | 46 | 8 | 40 | 32 | 5.5 x 9 x 5.1 | 15 | 15 | 980.0 | 1570 | 297 |
76 | 53 | 10 | 48 | 38 | 6.6 x 11 x 6.1 | 15 | 15 | 1570.0 | 2740 | 471 |
Df | t | P.C.D. | XxYxZ | Eksantriklik | Açısal sapma | Yük katsayıları C dinamik | C0 statik | Ağırlık |
mm | mm | mm | mm | µm | µm | N | N | g |
32 | 5 | 24 | 3.5 x 6,5 x 3.1 | 15 | 15 | 421 | 804 | 59 |
42 | 6 | 32 | 4.5 x 8 x 4.1 | 15 | 15 | 813 | 1570 | 110 |
46 | 6 | 36 | 4.5 x 8 x 4.1 | 15 | 15 | 921 | 1780 | 160 |
54 | 8 | 43 | 5.5 x 9,5 x 5.1 | 17 | 17 | 1370 | 2740 | 260 |
62 | 8 | 51 | 5.5 x 9,5 x 5.1 | 17 | 17 | 1570 | 3140 | 540 |
76 | 10 | 62 | 6.6 x 11 x 6.1 | 17 | 17 | 2500 | 5490 | 815 |
98 | 13 | 80 | 9 x14 x 8.1 | 20 | 20 | 3430 | 8040 | 1805 |
112 | 13 | 94 | 9 x14 x 8.1 | 20 | 20 | 6080 | 15900 | 2820 |
134 | 18 | 112 | 11 x 17,5 x 11.1 | 25 | 25 | 7550 | 20000 | 4920 |